Welkom  

   

Mijn Menu  

   

What's Up  

Geen evenementen
   

Wedstrijd  

Geen evenementen
   
   
   
   
   
   
   
   
   
   
   
   
   
   
Welkom, Gasten

Onderwerp: Alibaba "Webasto" en Planar standkachel ervaringen

Alibaba "Webasto" en Planar standkachel ervaringen 22 nov 2018 18:16 #999133

Yellow Boat schreef :
AdB schreef :
Hahahaha,
bij die van mij zit één A4, dubbelzijdig gedrukt,
dat is alles.

A

Dat is dan zeker niet de handleiding van de fabrikant. Kan ook niet als je zowel de hele bediening als onderhoud en installatie wilt beschrijven.
Dat zie je bij veel producten . Soms is er bij een apparaat een heel beperkte handleiding gevoegd maar vindt je op de website van de fabrikant pas een complete manual. Niet zo vreemd natuurlijk want een dik boek van, in dit geval bijna 80 pagina's kost ook geld en een a4tje bijna niks.

Ad

80 pagina’s bij een kachel , ja in Duits Nederlands Italiaans Spaans chinees :P
Zoek niet naar 100 dingen waarom iets niet werkt! Zoek naar 1 ding wat wel werkt .
Alleen ingelogde leden kunnen reageren.

Alibaba "Webasto" en Planar standkachel ervaringen 23 nov 2018 09:23 #999245

Maar ik wacht het antwoord op mijn vraag eerst maar eens af.
Ad

Wow , snel zijn ze wel moet ik zeggen , compleet met hun prijslijst die echter FOB is dus voor transport naar nederland moet je zelf zorgen en dat wordt duur vrees ik.
Dit is hun antwoord:
"
This is Candy from China. so glad to receive your letter.
The heater in Aliexpress is similar to our heater, but they are different in quality. We are a famous parking heater manufacturer in China. Our factory has been engaged in heaters for 30 years. In China we are the only designated parking heater supplier for the army vehicle factory. It can represent the highest level of quality. But do you know well about aliexpree? So many small factories sell heater here, but its quality is so bad. They use the worst fuel pump, motor, glow pin, ECU and so on. Have you bought heaters in Aliexpress?
Please check the attachment, that is our price list
If you have any question, please feel free to ask me.
Best regards
Candy


Юля/Candy
Cang Zhou New High auto radiator manufacturing co., Ltd
"

Maar och , dat zal Webasto en Planar natuurlijk ook zeggen ;)

Wel een akelig vlotte service moet ik zeggen . En dat 'savonds om 18.30 ( in China dan).

Maar heelaas weet ik dus de echte fabrikant nog niet , dus maar wachten op antwoord van de verkoper.

En dit is hun prijslijst:

Bijlage:

Bestandsnaam: quoteofhea...2018.pdf
Bestandsgrootte:931 KB

Je ziet wel dat die prijzen en die van Ali elkaar niet zoveel ontlopen gezien het feit dat een groothandelaar uiteraard daar nog de nodige korting op krijgt . Zegt misschien wel wat over de al dan niet kwaliteitsverschillen :whistle:
Ad
Laatst bewerkt: 23 nov 2018 10:38 door Yellow Boat.
Alleen ingelogde leden kunnen reageren.

Alibaba "Webasto" en Planar standkachel ervaringen 23 nov 2018 12:58 #999311

  • peter1
  • peter1's Profielfoto
  • Offline
  • Gebruiker
  • Berichten: 6134
Candy is gelukkig een Chinese naam en dat scheelt veel.

iedereen heeft zo een kachel bij ali besteld, en ik heb nog niemand gehoord met ellende of problemen.
Ik ben de storm, en de windstilte.
Laatst bewerkt: 23 nov 2018 13:25 door peter1.
Alleen ingelogde leden kunnen reageren.

Alibaba "Webasto" en Planar standkachel ervaringen 23 nov 2018 13:32 #999318

  • Tenzee
  • Tenzee's Profielfoto
  • Offline
  • Gebruiker
  • Berichten: 90
Als China te ver is, bij de buren hebben ze ook een mooie aanbieding:
www.amazon.de/Hutiee-Standheiz...ements=p_36%3A-16000

146 euro, inclusief verzending en geen gedoe met extra taxen.

Doe daarbij nog de originele scheepsdemper + uitlaat en huiddoorvoer van planar en voor 250 euro heb je het lekker warm deze winter.
Alleen ingelogde leden kunnen reageren.

Alibaba "Webasto" en Planar standkachel ervaringen 23 nov 2018 13:36 #999320

  • peter1
  • peter1's Profielfoto
  • Offline
  • Gebruiker
  • Berichten: 6134
belachelijk lage prijs voor zo een hele set, alleen die huiddoorvoer of schoorsteentje is nog prijzig en het wordt tijd dat ze dat ook namaken voor 10 euro
Ik ben de storm, en de windstilte.
Alleen ingelogde leden kunnen reageren.

Alibaba "Webasto" en Planar standkachel ervaringen 23 nov 2018 13:46 #999323

Nou , die komt ook gewoon uit China hoor.
www.amazon.de/gp/offer-listing...e=UTF8&condition=new
Staat wel een beetje verborgen inderdaad.
En de totale prijs krijg je pas te zien als je inlogt , je adres invult en en gaat bestellen .
Wat er dan uitkomt weet ik niet.
En in China daar krijg je er wat meer zaken gratis bij zoals bijv. die demper en vaak ook een draadloze afstandsbediening.Zoals deze bijv.: nl.aliexpress.com/item/2000-w-...web201602_2_10065_10
Dus wel even een goede vergelijking maken.
Ad
Laatst bewerkt: 23 nov 2018 13:59 door Yellow Boat.
Alleen ingelogde leden kunnen reageren.

Alibaba "Webasto" en Planar standkachel ervaringen 23 nov 2018 13:53 #999325

  • trotti
  • trotti's Profielfoto
  • Offline
  • Gebruiker
  • Berichten: 8299
peter1 schreef :
Candy is gelukkig een Chinese naam en dat scheelt veel.

iedereen heeft zo een kachel bij ali besteld, en ik heb nog niemand gehoord met ellende of problemen.

Alle Chinezen die internationaal werk doen hebben een (eigen verzonnen) Engelse naam (Roger, tiger, Candy, flex, ...)

Groeten,
Johnnie
Alleen ingelogde leden kunnen reageren.

Alibaba "Webasto" en Planar standkachel ervaringen 23 nov 2018 13:58 #999327

Opmerkelijk dat chinezen en prostituees eenzelfde voorkeur voor namen hebben.
Niet dat ik daar ook maar enige ervaring mee heb hoor.

H
Alleen ingelogde leden kunnen reageren.

Alibaba "Webasto" en Planar standkachel ervaringen 23 nov 2018 14:02 #999330

  • Tenzee
  • Tenzee's Profielfoto
  • Offline
  • Gebruiker
  • Berichten: 90
Naturlijk wordt die geproduceerd in China, maar als ik inlog en mijn adres opgeef komen er er toch geen verborgen kosten bij.
Pakket bevat trouwens ook een afstandsbediening; geen dempertje en dat is maar goed ook! De standaard-dempers zijn immers echt niet geschikt voor gebruik op een boot.
Alleen ingelogde leden kunnen reageren.

Alibaba "Webasto" en Planar standkachel ervaringen 23 nov 2018 14:02 #999331

Dat komt omdat ze allemaal naar Amerikaanse films kijken . Bovendien zie je op Honkong films niet anders. :lol:
Om dezelfde reden lopen de Nederlanders immers allemaal op klompen toch?
Ad
Alleen ingelogde leden kunnen reageren.

Alibaba "Webasto" en Planar standkachel ervaringen 23 nov 2018 14:33 #999346

  • peter1
  • peter1's Profielfoto
  • Offline
  • Gebruiker
  • Berichten: 6134
Onze chinese Sandy heeft buiten haar normale werk als mannenverwarmer gewoon ook verstand van bootkacheltjes.


har.vogel schreef :
Opmerkelijk dat chinezen en prostituees eenzelfde voorkeur voor namen hebben.
Niet dat ik daar ook maar enige ervaring mee heb hoor.

H
Ik ben de storm, en de windstilte.
Alleen ingelogde leden kunnen reageren.

Alibaba "Webasto" en Planar standkachel ervaringen 23 nov 2018 14:35 #999347

H
Laatst bewerkt: 23 nov 2018 17:24 door harryvogel.
Alleen ingelogde leden kunnen reageren.

Alibaba "Webasto" en Planar standkachel ervaringen 23 nov 2018 14:37 #999348

Een paar weken geleden heb ik zo'n kachel gekocht bij een Chinees internetbedrijf.
In huis voor ongeveer € 200,00. Geen bijkomende kosten.
5KW 12V compleet met (te korte) slangen, pomp, fundatieplaat, digitaal display etc.
Wat komt er dan nog bij?
Uitlaat (speciale dubbelwandige RVS doorvoer)
Hete luchtslang (reken op minimaal 4 meter).
Extra uitblaasrooster.
Isolatiesok voor uitlaatslang.
Extra 3aderige kabel om de display in de kajuit te krijgen.
De bijgeleverde uitlaatdemper is niet gasdicht. Is eenvoudig zelf te doen.
Bijkomende kosten komen ongeveer op € 150,00
Voor € 350,00 heb je een nieuwe heteluchtverwarming in je boot.

H
Alleen ingelogde leden kunnen reageren.

Alibaba "Webasto" en Planar standkachel ervaringen 23 nov 2018 14:42 #999351

  • Sloe Gin
  • Sloe Gin's Profielfoto
  • Offline
  • Gebruiker
  • Berichten: 10123
Wat moet je nou met twee kachels?
May sauce be upon you.
Alleen ingelogde leden kunnen reageren.

Alibaba "Webasto" en Planar standkachel ervaringen 23 nov 2018 14:42 #999352

hij is in 2 minuten wel 50 euro duurder geworden :whistle: :whistle: :whistle:
Zoek niet naar 100 dingen waarom iets niet werkt! Zoek naar 1 ding wat wel werkt .
Alleen ingelogde leden kunnen reageren.

Alibaba "Webasto" en Planar standkachel ervaringen 23 nov 2018 14:44 #999355

  • hengelst
  • hengelst's Profielfoto
  • Offline
  • Gebruiker
  • Berichten: 536
ik zou die eerste gebruiken, scheelt toch 50 euro....
Mystere 26 1973
Alleen ingelogde leden kunnen reageren.

Alibaba "Webasto" en Planar standkachel ervaringen 23 nov 2018 17:24 #999410

:laugh:
Was de eerste keer vergeten de uitlaat mee te berekenen. Die had ik er namelijk zelf al inzitten.
Voor een eerlijker beeld heb ik die € 50,00 er even bij gedaan. Kennelijk eerste post niet verwijderd....

H

en weggehaald...
Nu heb ik gewoon 1 kachel Bert.....
Laatst bewerkt: 23 nov 2018 17:25 door harryvogel.
Alleen ingelogde leden kunnen reageren.

Alibaba "Webasto" en Planar standkachel ervaringen 23 nov 2018 18:16 #999430

  • ST-5
  • ST-5's Profielfoto
  • Offline
  • Gebruiker
  • Berichten: 216
Wij zitten nu op de boot, buiten 2 graden en binnen met gemak 23.. heerlijk zo'n Chinese kachel haha.

Ik raad iedereen zo'n ding aan hoor.

Groeten Jeroen



Gepost met de officiële Zeilersforum-app
Alleen ingelogde leden kunnen reageren.

Alibaba "Webasto" en Planar standkachel ervaringen 23 nov 2018 19:41 #999453

Interessante filmpjes: een moderne heater dus met elektronische besturing. Helaas geen regeling op basis van zuurstof in de rookgassen, maar een vaste weerstand (wss PWM...) om het toerental van de verbrandingslucht fan naar beneden te brengen, met vaste (niet geregelde) verlaging van de pulsfrequentie naar de metering-pomp. Dat geeft blijkbaar een slechte verbranding en veel roet bij opereren bij lage duty. Dat hadden ze beter kunnen doen of in ieder geval goed moeten testen, die brandstof/luchtverhouding wanneer het zaakje op gereduceerd vermogen draait. Geen te zwaar model kopen dus! Overigens heeft Jeroen dezelfde ervaringen met gerenommeerde merken zegt ie...

Verder vind ik de plastic behuizing met plastic clips i.p.v. schroeven er fragiel uit zien. Als zo’n ding een paar jaar oud is, de behuizing vaak warm geworden is en daardoor verhard is, kan ik mij voorstellen dat dit soort dingen af gaan breken bij onderhoud. Maar belangrijker vind ik de slecht beschermde printplaat met gevoelige elektronica. Hier wordt continue de te verwarmen lucht langs geblazen. Die kan vochtig zijn en stof doen neerslaan op de elektronica. Mijn 20 jaar oude en erg ouderwetse Webasto bevat geen enkele elektronica in de kachel: de besturing zit in een apart kastje dit beter beschermd.

Maar ongelofelijk goedkoop en goede mogelijkheden! Ik ben benieuwd hoe de ervaringen naar een paar jaar gebruik zullen zijn.
Laatst bewerkt: 23 nov 2018 19:44 door Nachtvlinder.
Alleen ingelogde leden kunnen reageren.

Alibaba "Webasto" en Planar standkachel ervaringen 24 nov 2018 08:42 #999512

Nachtvlinder schreef :
Interessante filmpjes: een moderne heater dus met elektronische besturing. Helaas geen regeling op basis van zuurstof in de rookgassen, maar een vaste weerstand (wss PWM...) om het toerental van de verbrandingslucht fan naar beneden te brengen, met vaste (niet geregelde) verlaging van de pulsfrequentie naar de metering-pomp. Dat geeft blijkbaar een slechte verbranding en veel roet bij opereren bij lage duty. Dat hadden ze beter kunnen doen of in ieder geval goed moeten testen, die brandstof/luchtverhouding wanneer het zaakje op gereduceerd vermogen draait. Geen te zwaar model kopen dus! Overigens heeft Jeroen dezelfde ervaringen met gerenommeerde merken zegt ie...

Verder vind ik de plastic behuizing met plastic clips i.p.v. schroeven er fragiel uit zien. Als zo’n ding een paar jaar oud is, de behuizing vaak warm geworden is en daardoor verhard is, kan ik mij voorstellen dat dit soort dingen af gaan breken bij onderhoud. Maar belangrijker vind ik de slecht beschermde printplaat met gevoelige elektronica. Hier wordt continue de te verwarmen lucht langs geblazen. Die kan vochtig zijn en stof doen neerslaan op de elektronica. Mijn 20 jaar oude en erg ouderwetse Webasto bevat geen enkele elektronica in de kachel: de besturing zit in een apart kastje dit beter beschermd.

Maar ongelofelijk goedkoop en goede mogelijkheden! Ik ben benieuwd hoe de ervaringen naar een paar jaar gebruik zullen zijn.

Er staat wel in de handleidingen dat je ervoor moet zorgen dat er geen water in de toevoerlucht kan komen. Sowieso lijkt me het beter om de lucht te laten circuleren dus de te verwarmen lucht uit de cabine zelf te halen wat heel veel verbruik zal uitmaken als het buiten koud is. Je laat thuis immers ook de ramen niet open als het buiten koud is :huh:
Maat een behandeling met een speciale prinplaatcoating voor zover die er niet op zit) lijkt me hier misschien ook wel op zijn plaats .
Overigens wordt de printplaat op deze manier wel mooi gekoeld.

Op onderstaande video ( tussen 10.15 em 11.15 )van zo'n Chiinees ding zie ik wel 2 magneetjes of zoiets op de waaier zitten die langs twee opnemers?? komen aan die zwarte ring waar onderuit ook een draad uit lijkt te komen wat zou kunnen betekenen dat de motor wel op toeren geregeld wordt :unsure:
Misschien kunnen de expersts hier er wat over zeggen?
Ad
ps. Ik heb overigens netjes en binnen een dag antwoord gehad van de leverancier Yisi Company Store van dat ding van AdB en die willen of kunnen niet zeggen wie de fabrikant is . Raar hoor om zo geheimzinnig te doen. :(
Alleen ingelogde leden kunnen reageren.

Alibaba "Webasto" en Planar standkachel ervaringen 24 nov 2018 12:37 #999572

In het filmpje wordt opgemerkt dat die magneetjes niet gebruikt worden, mss zit er een opnemer-optie in deze CPU en is die weggelaten? Maar dat is gissen. Overigens worden verbrandings- en verwarmingslucht ventilator door ee gemeenschappelijke as aangedreven: dat vermindert de vrijheid om kwaliteit van de verbranding EN benodigde koeling onafhankelijk in te kunnen stellen. Het ontwerp zal wel geoptimaluseerd zijn voor vollast; bij deellast gaat het mis.

Zo’n besturing is natuurlijk beter extern te plaatsen, ver weg van de mechanica, trillende bewegende delen en afwisselend hete en koude delen. Lucht erover blazen? Zie de discussie over fanless boord-PC’s.

Maar mss zie ik spoken hoor en gaat dit jaaren lang goed. Even wachten op de lange-termijn ervaringen dus.
Laatst bewerkt: 24 nov 2018 13:29 door Nachtvlinder.
Alleen ingelogde leden kunnen reageren.

Alibaba "Webasto" en Planar standkachel ervaringen 24 nov 2018 14:47 #999611

Nachtvlinder schreef :
In het filmpje wordt opgemerkt dat die magneetjes niet gebruikt worden, mss zit er een opnemer-optie in deze CPU en is die weggelaten? Maar dat is gissen. Overigens worden verbrandings- en verwarmingslucht ventilator door ee gemeenschappelijke as aangedreven: dat vermindert de vrijheid om kwaliteit van de verbranding EN benodigde koeling onafhankelijk in te kunnen stellen. Het ontwerp zal wel geoptimaluseerd zijn voor vollast; bij deellast gaat het mis.

Zo’n besturing is natuurlijk beter extern te plaatsen, ver weg van de mechanica, trillende bewegende delen en afwisselend hete en koude delen. Lucht erover blazen? Zie de discussie over fanless boord-PC’s.

Maar mss zie ik spoken hoor en gaat dit jaaren lang goed. Even wachten op de lange-termijn ervaringen dus.

Dat lijkt me eigenlijk raar want hoe kan de CPU anders het toerental van die motor in de gaten houden? regelen kan natuurlijk wel met een pulsstroomregeling ( www.finimuis.nl/plaatjes/0259.png ) .
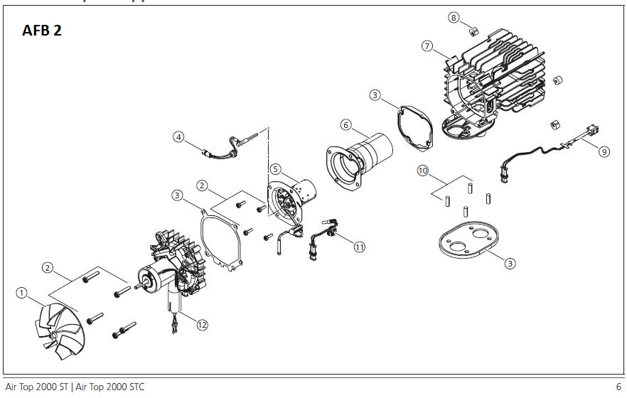
Dat beide ventilatoren op een as zitten zie je volgens mij ook bij de webasto's als ik hier zo naar de onderdelen kijk .www.standkachel.nu/webasto-kac...000stc-stc/?page=all . Zie ook onderstaand plaatje
Hoeft ook geen probleem te zijn zolang de waaiers , vooral de verbrandingsluchtwaaier maar zo zijn gedesigned dat ze de juiste verhouding tussen de verbrandingslucht en de pulssnelheid van de pomp aanhouden en dat is een kwestie van de regelparameters in de CPU. Wat ik eerder vermoed als mogelijke oorzaak van roetvorming is een te hoge weerstand in de aanzuig van de verbrandingslucht waardoor die te weinig wordt. Want de hoeveelheden worden immers niet gemeten en dat is wel een nadeel . Maar ja , dat doet volgens mij geen enkele van dat type kachels.

Bij bijv. CV installaties wordt de hoeveelheid verbrandingslucht wel gemeten net als bij moderne motoren om de emissies laag te kunnen houden.
Ad
Laatst bewerkt: 24 nov 2018 14:54 door Yellow Boat.
Alleen ingelogde leden kunnen reageren.

Alibaba "Webasto" en Planar standkachel ervaringen 24 nov 2018 19:33 #999698

  • peter1
  • peter1's Profielfoto
  • Offline
  • Gebruiker
  • Berichten: 6134
Dat doen autoos toch met labdasondes meen ik !die meten de uitlaatgassen en geven info terug aan de regelcomputer voor de brandstofregeling
Ik ben de storm, en de windstilte.
Alleen ingelogde leden kunnen reageren.

Alibaba "Webasto" en Planar standkachel ervaringen 24 nov 2018 19:55 #999706

  • ST-5
  • ST-5's Profielfoto
  • Offline
  • Gebruiker
  • Berichten: 216
Zowel bij de moderne webasto alsook de Eberspacher zit de besturing gewoon in de behuizing. Dat er iemand hier op het forum aangeeft dat bij hem de besturing los van kachel zit heeft zeer waarschijnlijk een andere soort kachel in handen.
Om de vraag van YB te beantwoorden.
De kachel kan traplood harder en zachter gezet worden waardoor de ventilator dus sneller en langzamer gaat lopen. Wel is het zo dat vanaf 'half gas' de ventilator niet heel erg veel sneller meer gaat draaien.

Dit type kachel (dus ook de webasto`s, planars en de eberspachers schijnen gevoelig te zijn voor lange tijd zachtjes branden ivm roet. In praktisch alle gebruiksaanwijzingen staat daarom ook dat de kachel na een x aantal uur een half uur volgas moet draaien om hem even schoon te branden.

Ik heb de kachel nog niet zo lang dat ik kan zeggen of dat daadwerkelijk ook nodig is temeer omdat ik er GTL in brand en dit sowieso al veel minder zou moeten roeten.
Overigens laat ik de kachel wel lucht van buiten aanzuigen zodat ik niet nog extra ramen hoef open te zetten omdat er immers al snel 100 kuub verse (verwarmde) lucht per uur de boot in wordt geblazen.

Groeten Jeroen
Alleen ingelogde leden kunnen reageren.

Alibaba "Webasto" en Planar standkachel ervaringen 24 nov 2018 20:21 #999711

Yellow Boat schreef :
Nachtvlinder schreef :
In het filmpje wordt opgemerkt dat die magneetjes niet gebruikt worden, mss zit er een opnemer-optie in deze CPU en is die weggelaten?

Dat lijkt me eigenlijk raar want hoe kan de CPU anders het toerental van die motor in de gaten houden?

Het toerental wordt dan ook niet gemeten, dus de CPU kan dit niet regelen. De fabriek heeft vaste, vooraf bepaalde PWM verhoudingen vastgesteld waar het systeem mee moet werken. Inderdaad: kachel meet geen verbrandingslucht of O2 percentage in rookgassen en heeft dus geen idee of de bedrijfscondities gelijk zijn als waar in het ontwerp vanuit is gegaan. Het leidingwerk aan de zuig- en persleidingen (4 leidingen totaal!) kan een behoorlijk effect hebben natuurlijk.

Valt mij (óók van de moderne Webasto's die je nu koopt) wel tegen dat de emissies, efficiency en vervuiling op geen enkele manier onder controle worden gehouden. Vergelijk dit eens met een moderne CV of auto; daar wordt dit alles geregeld. Al was dit bij mijn 20 jaar oude Webasto al het geval, anno 2018 vind ik het van de zotte dan een handleiding al onderkent dat een apparaat niet geschikt is op deellast te draaien. Alsof we over een antieke scheepsdiesel praten "af en toe even goed laten werken"...

Niets ten nadele van Planar dus, als dit blijkbaar "state of the art" is bij Webasto. Gejat wordt nooit beter dan het origineel natuurlijk. We moeten het er dus mee doen. Maar koop dus geen zwaarder vermogen dan nodig: het ding brandt het best op vollast!
Laatst bewerkt: 24 nov 2018 20:29 door Nachtvlinder.
Alleen ingelogde leden kunnen reageren.
Tijd voor maken pagina: 0.659 seconden
Gemaakt door Kunena
   
   
   
   
© Zeilersforum.nl